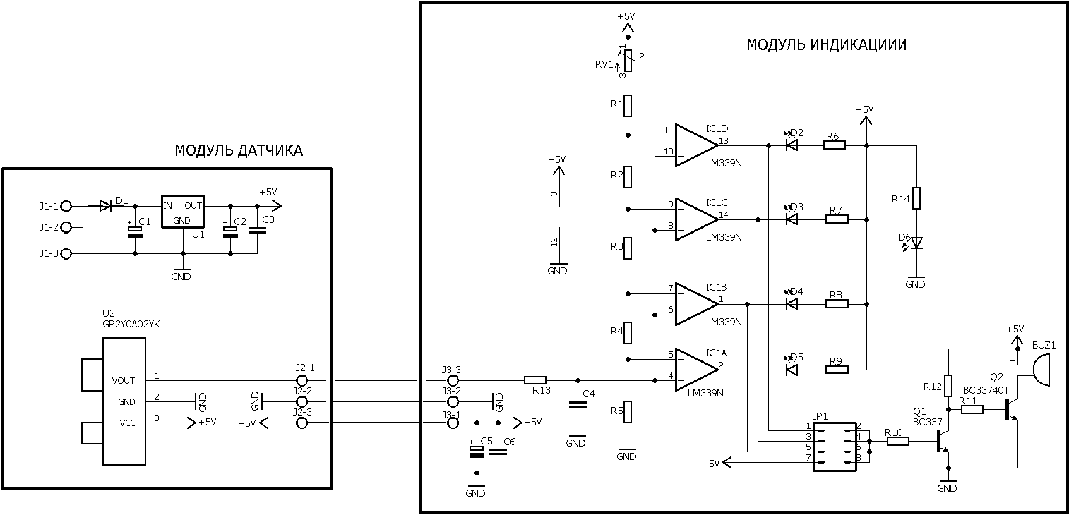
Ниже на рис.1 приведена схема простого парковочного радара. Здесь в качестве сенсора применяется инфракрасный сенсор GP2Y0A02YK.
Рис.1
Выходное напряжение инфракрасного датчика поступает через цепь R13,C4 на вход счетверенного компаратора IC1. При расстоянии до препятствия 140см включается светодиод D5, при расстоянии 80см включаются D5,D4, при расстоянии 45см - D5,D4,D3. При достижении расстояния до препятствия 30см включаются все светодиоды. Пороги срабатывания светодиодов D2-D5 можно подстроить триммером RV1. Порог срабатывания зуммера устанавливается джампером JP1.
Перечень элементов, проект в PROTEUS, чертежи печатных плат в EagleCAD и герберфайлы для заказа плат
Ниже на рис.2 приведена схема простого парковочного радара, где чатота переключения зуммера зависит от расстояния до препятствия. Это позволяет водителю оценить расстояние до препятствия не отвлекаясь на индикатор на слух.
Рис.2
Выходное напряжение датчика поступает через цепь R13,C4 на вход счетверенного компаратора U3 и на вход CON генератора U4 на микросхеме NE555. Частота этого генератоа управляется выходным напряжением инфракрасного датчика. Генератор в свою очередь управляет частотой перекллючения зуммера. Таким образом частота переключения зуммера зависит от расстояния до препятствия. Чем ближе препятствие, тем ниже частота переключения зуммера.
На рис.3 приведена схема простого парковочного радара на микропроцессоре Attiny13 где также как и в предыдущей схеме чатота переключения зуммера зависит от расстояния до препятствия.
Рис.3
Во всех трех схемах модуль датчика устанавливается на заднем бампере автомобиля, как показано на рис.4.

Рис.4