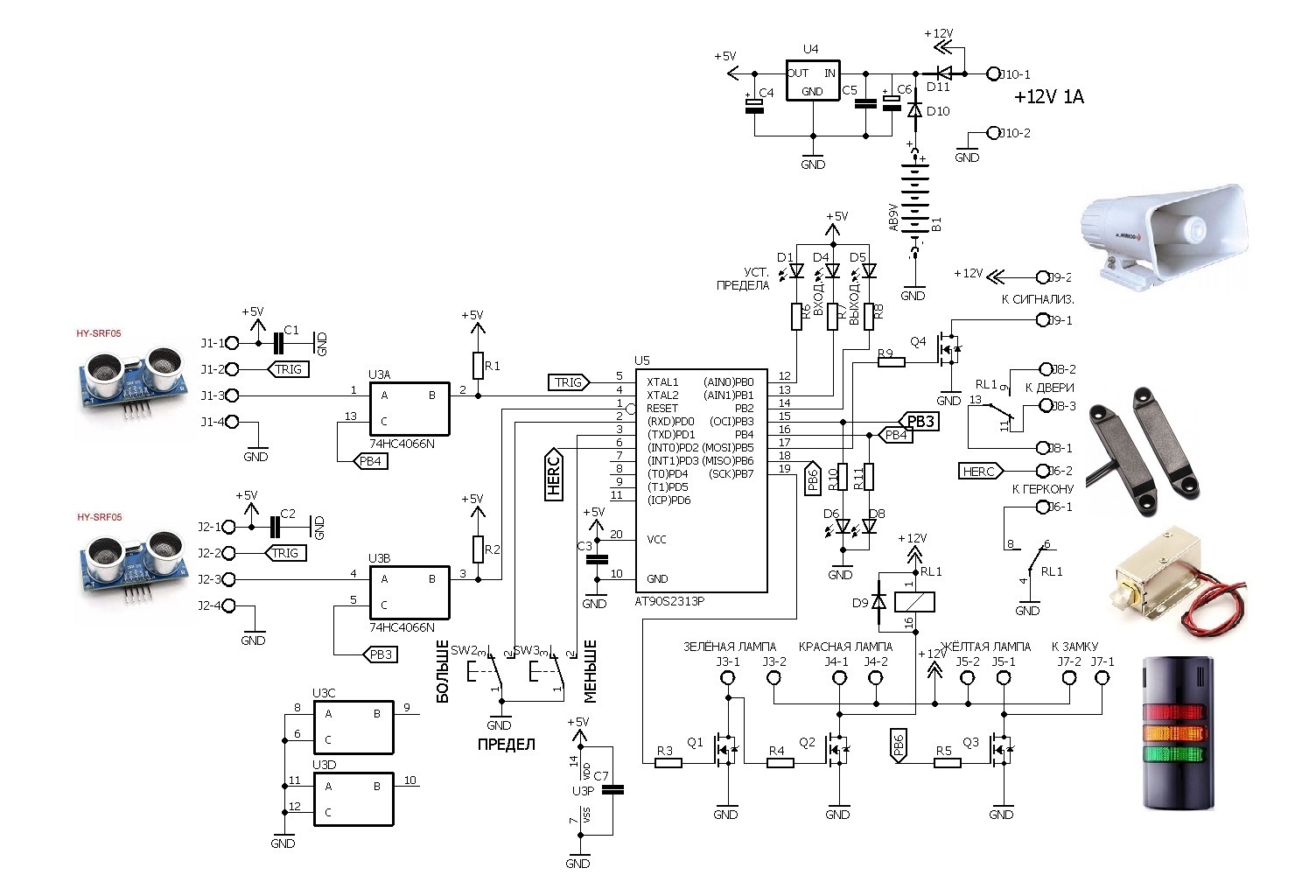
Устройство блокирует замок двери или включает сигнализацию при превышении предварительно установленного количества посетителей в небольшом помещении. В устройстве применяются два датчика. Один устанавливается на входе и считывает количество входящих посетителей, другой - на выходе и считывает  количество выходящих посетителей

В качестве датчиков движения применяются недорогие ультразвуковые датчики SRF04 или SRF05. Датчик  состоит из двух мембран, одна из которых генерирует звук, а другая регистрирует отображенное эхо. Звуковой генератор создает маленький, с некоторым периодом ультразвуковой импульс и запускает таймер. Вторая мембрана регистрирует прибытие отображенного импульса и останавливает таймер. От времени таймера по скорости звука возможно вычислить пройденное расстояние звуковой волны. Расстояние объекта приблизительно половина пройденного пути звуковой волны. Для запуска генератора и таймера микропроцессор на выходе XTAL1 выдает короткие импульсы поступающие на вход TRIGG датчика. Датчик выдает импульсы ECHO, длина которого пропорциональна расстоянию до объекта. Микропроцессор измеряет длину этих импульсов. Когда посетитель приближается ближе 150см, микропроцессор формирует импульс и считывает его. Датчики на несколько секунд блокируют друг друга, т.е. когда посетитель входит в помещение  через наружный датчик он затем проходит через внутренний датчик, который заблокирован во избежании ложного срабатывания.Для блокировки применяются аналоговые ключи U3. Импульсы считанные с наружного датчика поступают на вход XTAL2 микропроцессора ATTINY2313, при этом при срабатывании датчика включается светодиод D4. Импульсы считанные с внутреннего датчика -  на вход RESET микропроцессора. При этом включается светодиод D5.

Для установки максимально допустимого значения количества посетителей необходимо нажать кнопку SW3 и удерживая ее считать количество миганий светодиода D1. При этом включается зеленая сигнальная лампа и  с приближением каждого посетителя автоматически открывается на несколько секунд электромагнитный дверной замок и желтая сигнальная лампа, подтверждающая открытие замка. При достижения количества посетителей максимально установленного значения, включается красная лампа, срабатывает реле закрытия двери, замок закрывается и если замкнут герконовый датчик двери, блокируется работа наружного датчика. Если дверь не закрыта или ее вовсе нет, система пропускает еще 4-х посетителей и включается звуковая сигнализация. Она будет работать до тех пор, пока эти посетители не выйдут, после чего включается зеленая сигнальная лампа и система устанавливается в режим доступа. Подробнее на видео.

Микропроцессор работает с внутренним RC генератором 8мГц.

Перечень элементов, прошивка, проект в PROTEUS, чертежи печатных плат в EagleCAD и герберфайлы для заказа плат в архиве


Написать коментарий