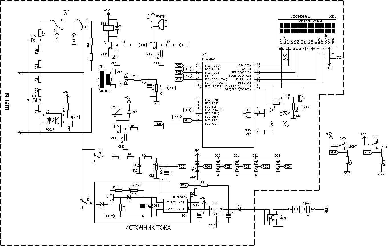
Измеряет переменное напряжение от 0 до 400В, постоянное от 0 до 100В, сопротивление цепи от 0 до 2000 Ом а также позволяет проводить прозвонку цепи. В отличии от обычного мультиметра при этом не требуется никаких переключений. Измеренные значения можно сохранить в памяти микропроцессора. Полная гальваническая развязка с электросетью. Кроме того, имеется кнопка вклю чения подсветки индикатора на 10сек. и индикатор разряда батареи.
Устройство выполнено на микропроцессоре Atmega8 и 2-х строчном 16-ти символьном LCD дисплее. При имерении переменного напряжения через оптрон U5 на вход PC2 микропроцессора поступают импульсы с частотой 50Гц. При этом на выходе PD0 микроконтроллера появляется лог.1, открываются транзисторы Q3 и Q7, срабатавыют реле RL1, RL2, первичная обмотка трансформатора TR1 через гасящие резисторы R3,R4 подключаются к щупам пробника. Измеряемое переменное напряжение с выхода вторичной обмотки трансформатора выпрямляется диодом Шоттки D2, сглаживается цепью R13,C2 и поступает на вход АЦП микропрецессора РС0.
При измерении постоянного напряжения оба реле обесточены и измеряемое напряение через нормально замкнутые контакты RL2 и гасящие резисторы R7,R8 поступает на вход АЦП РС3 микропроцессора.
Для измерения сопротивления применяется истоник тока, выполненный на DC-DC конверторе IC1 c выходным напряжением 12В и высоковольтном транзисторе Q1.
Выходной ток источника тока 3мА. Напряжение, формируемое на измеряемом резисторе с выхода щупов пробника через гасящие резисторы R28,R26,R27 и нормально замкнутые контакты реле RL1 поступает на вход АЦП РС1 микропроцессора.
При нажатии на кнопку SW3 на входе PD2 устанавливается лог.1 и текущее измеряемое знаение напряжения или сопротивления записывается в память микропроцессора.
При нажатии на кнопку SW4 на входе PD4 устанавливается лог.1, на выходе PB6 появляется лог.1, транзистор Q6 открывается и на 10сек. вклдючается подсветка индикатора.
Напряжение батареи питания через диод D7, гасящие резисторы R14,R18 поступает на вход АЦП РС4 микропроцессора. При напряжении батареи ниже 7В диод LED1 начинает мигать
Настройка устройства
Для установки точности измерения переменного напряжения подключить пробник к розетке электросети и подстроечным резистором RV3 установить показания LCD индикатора 220В, предварительно проверив его мультиметром.
Для установки точности измерения постоянного напряжения подключить пробник к источнику постоянного напряжения и подстроечным резистором RV2 установить показания LCD индикатора, соответствующее выходному напряжению источника.
Для установки точности измерения сопртивления подключить пробник к резистору 1кОм и подстроечным резистором RV1 установить показания LCD индикатора 1000.
Схема, прошивка и чертежи платы в EagleCAD скачать в архиве.