Определение чередования фаз в трехфазных системах необходимо при наладке трехфазных электродвигателей, фазировке, правильности подключения измерительных приборов и т. д. Для определения чередования фаз применяются фазоуказатели. В профессиональной практике применяются фазоуказатели, созданные на основе миниатюрных электродвигателей или относительно сложных электронных приборов, работающих в большом диапазоне напряжений. В домашней практике необходимость в применении ФУ возникает редко. Но если все же такая необходимость возникла, можно собрать простой и собранный из недефицитных деталей определитель фаз. Схема устройства приведена ниже.
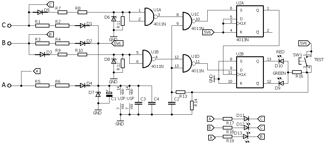
Провод А определителя подключается к любой фазе, которая условно становится фазой А. Далее необходимо определить очередность фаз В и С относительно условной фазы А. Cхема определителя реализована на D-триггере U2. Преимущество таккой схемы в том, что светодиод индикации очередности фаз горит постоянно. Когда импульсы сформированные по фазе В поступают на вхол D триггера U2B, а импульсы по фазе С на вхол CLC, то фазы чередуются правильно и на прямом выходе триггена U2 включавтся лог.1, на инверсном выходе - лог.0. При этом включается зеленый светолиод D9.
В случае, когда импульсы на вхол CLC поступают раньше импульсов на вход D, фазы подключены неправильно на прямом выходе лог.0 и включается красный светодиод. КМОП импульсы на входах D-триггера формируются с помощью выпрямительных диодов D3,D5, гасящих резисторов R7 - R10, защитных стабилитронов D6,D8 и микросхемы U1.
После подключения проводов А, В, С к клеммам автоматического выключателя включить автомат. Свечение светодиодов D11,D12,D13 свидетельсьвует о подключении ко всем фазам. Далее нажать кнопку TEST. Это сделано для того, чтобы исключить влияние дребезга контактов автоматического выключателя при его включении. Цепь C2, R13, R14 исключает дребезг контактов кнопки TEST.
Перечень элементов, схема и чертеж печатной платы в EagleCAD c герберфайлами для заказа платы и проект в PROTEUS в архиве.