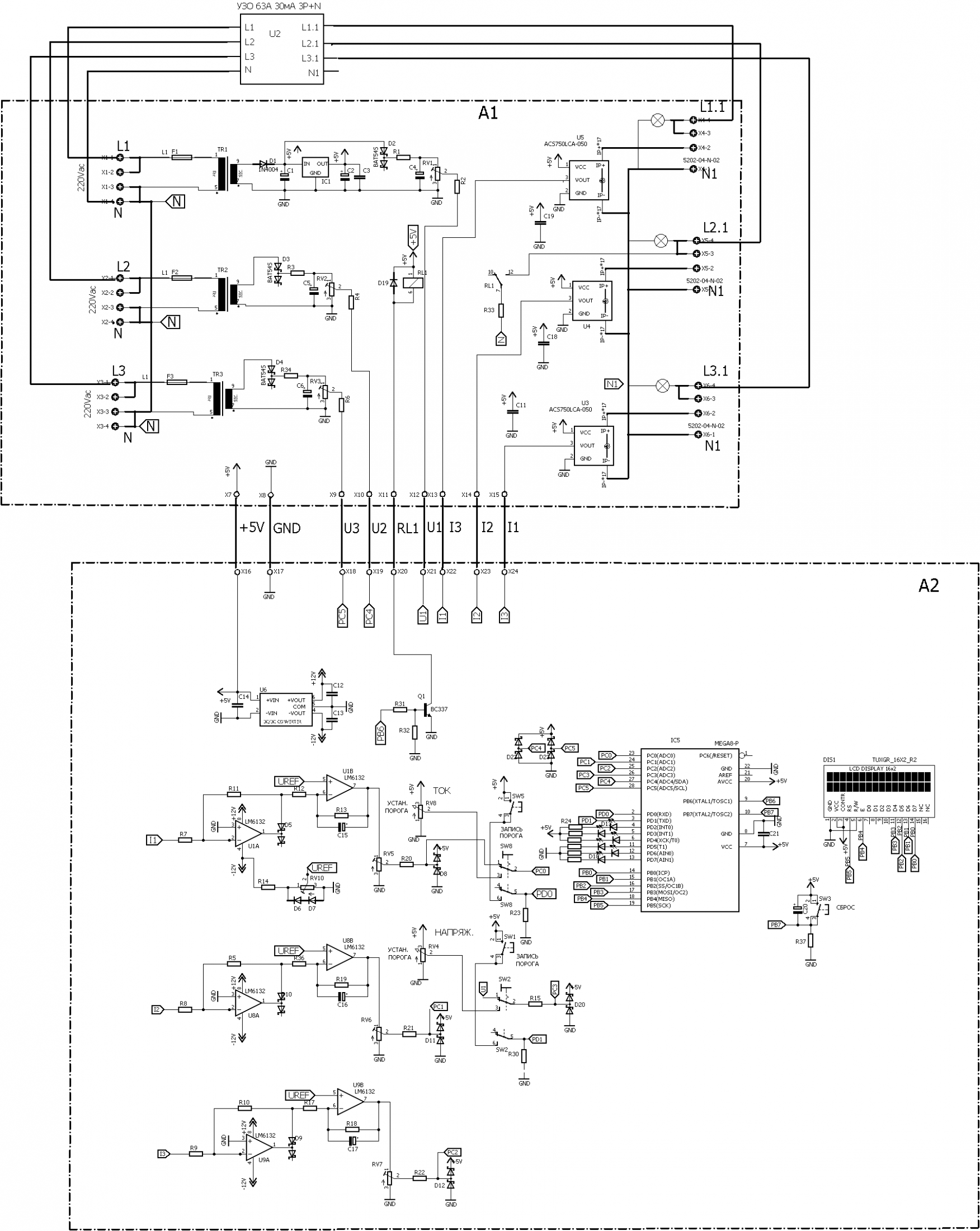
Для отключения нагрузки при превышении предварительно установленных значений напряжения или тока до 50А в 3-х фазной сети применяется 3-х фазное устройство защитного отключения (УЗО) 63A 3P+N 30mA . Все значения порогов записываются в память микроконтроллера Atmega8. Для индикации значений токов и напряжений в каждой фазе применяется 2-х строчный 16-ти символьный LCD индикатор.



Токи вкаждой фазе измеряются датчиками тока U3, U4, U5. Выход каждого датчика подключен к входам измерительных выпрямителей U1, U8, U9, где они выпрямляются и поступают на входы АЦП РС0, РС1, РС2 микропроцессора. Токи в каждой фазе отображаются в верхней строке 2-х строчного 16-ти символьного LCD индикатора.
Напряжения каждой фазы с выходов трансформаторов TR1, TR2, TR3 выпрямляются диодами Шоттки D2, D3, D4 и через резистивные делители поступают на входы АЦП РС3, РС4, РС5 микропрцессора. Напряжения в каждой фазе отображаются в нижней строке LCD индикатора



Для установки порога срабатывания эащиты по току необходимо переключатель SW8 переключить в нижнее по схеме  положение и потенциометром RV8 установить необходимый порог тока. Это значение отображается в первой цифре верхней строки. Для записи в память необходимо нажать кнопку SW5. Затем необходимо переключить SW8 в верхнее по схеме положение.
Для установки порога срабатывания эащиты по напряжению необходимо переключатель SW2 переключить в нижнее по схеме  положение и потенциометром RV4 установить необходимый порог напряжения. Это значение отображается в первой цифре нижней строки. Для записи в память необходимо нажать кнопку SW1. Затем необходимо переключить SW2 в верхнее по схеме положение. Подробнее смотреть на видео.
При перегрузке по току или по напряжению в любой фазе на выходе процессора РВ6 появляется лог.1, открывается транзистор Q1, срабатывает реле RL1, которое своими контактами подключает резистор R33 к фазе вызывая утечку 30мА. В результате срабатывает УЗО.
Устройство выполнено на 2-х платах - плате силовой и плате процессорной.

Прошивка, чертежи печатных плат в EagleCAD, перечень элементов, проект в PROTEUS в архиве.




Написать коментарий