Прибор предназначен для измерения переменного синусоидального напряжения частотой 50 Гц и отключения нагрузки при выходе напряжения за заданные пределы.
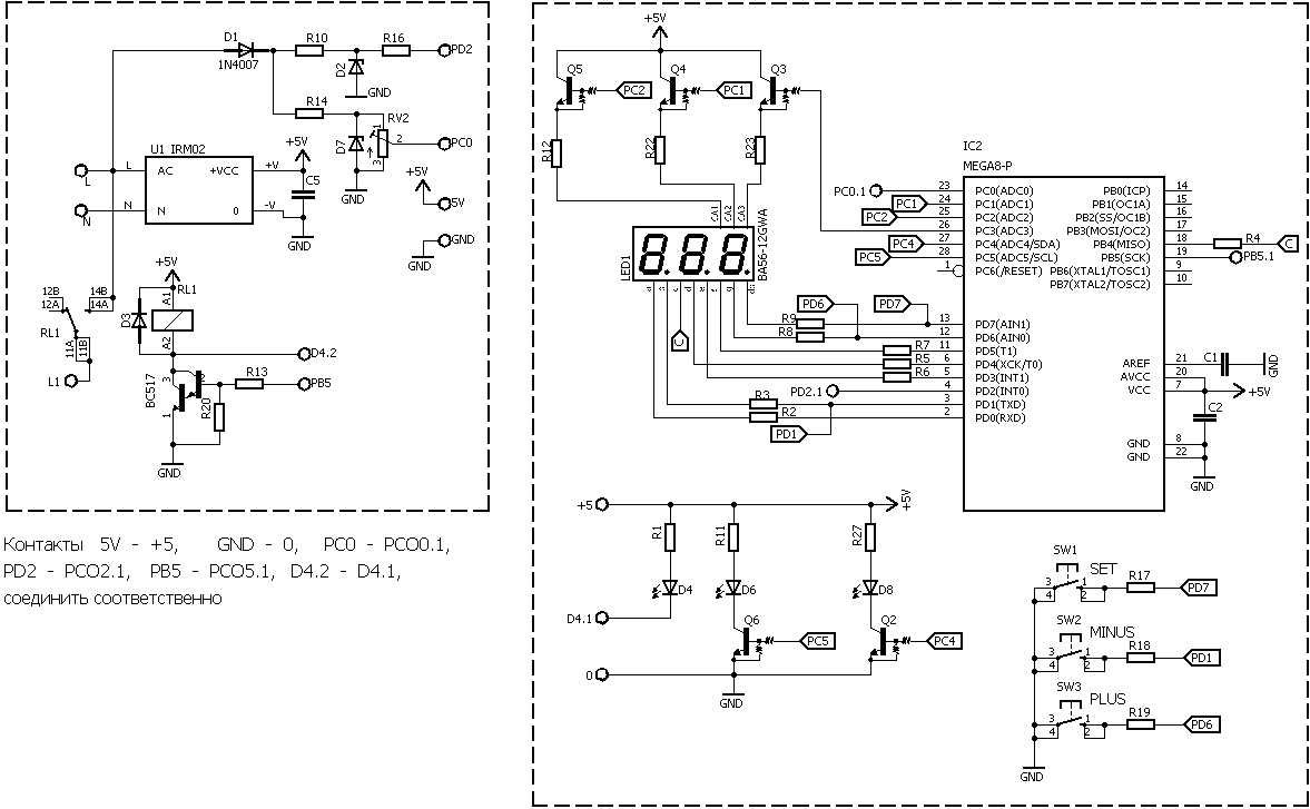
Схема работает на микропроцессоре ATMEGA8. Для индикации применен тройной семисегментный индикатор с общим анодом.  Идея заимствована из первоисточника.



Измеряется максимальное напряжение при переходе положительной полуволны через максимум. На индикатор выводится усредненное напряжение, измеренное за 0,5 сек.
Измеренное напряжение сравнивается с заданными пределами. Если напряжение в норме, включается зеленный светодиод D4,  при отклонении отключается нагрузка и включается один из красных светодиодов D6 или D8, в зависимости от того, какой предел нарушен и отключается нагрузка.
За все время работы прибора фиксируется минимальное и максимальное напряжение. Просмотреть их можно, нажав в основном режиме на кнопки PLUS или MINUS соответственно.
Порядок установки порогов и настройку прибора можно смотреть на видео. Чертежи плат в EagleCAD, перечень и прошивку можно найти в архиве.




Написать коментарий