Прибор предназначен для определения cos Fi от 1 - 0,5, определения характера нагрузки, тока до 60А и напряжения до 300В в однофазной сети. При превышении тока заранее установленного предела и напряжения выше 250В отключается нагрузка. Прибор выпонен на МК Atmega8, с использованием LCD дисплея 2х16, полная развязка высоковольтных и низковольтных цепей.
Устройство состоит из двух плат: входной измерительной и индикатора с микропроцессором

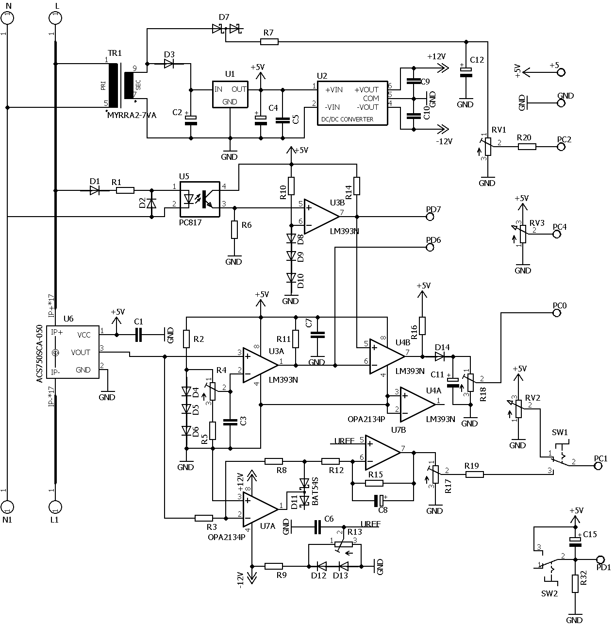
  Схема входной измерительной платы
 
  Схема индикатора с микропроцессором


Принцип измерения основан на измерении фазовым компаратором разницы фаз между током и напряжением.
Импульс напряжения формируется оптроном U5 и компаратором U3В и поступает на неинвертирующий вход вход фазового дискриминатора U7А. Импульс тока формируется трансформатором тока TR1 и компаратором U3В и поступает на инвертирующий вход вход фазового дискриминатора U4В. Напряжение на выходе фазового дискриминатора пропорциональное разности фаз между импульсами тока и напряжения поступает на вход АЦП PC0 микроконтроллера U1.
Напряжение, пропорциональное величине тока с выхода трансформатора тока U6 поступает на вход выпрямителя, состоящего из операционного усилителя U7 c диодом D11. Такая схема позволяет существенно повысить линейность выпрямителей. Выпрямленное напряжение поступает на вход АЦП микроконтроллера РС1.Таким образом контроллер обрабатывает значение тока фазы, которое отображается во 2-й строке дисплея. При превышении тока фазы больше установленного потециометром RV3 на выходе РВ6 появляется лог.1 , включается бузер и реле RL1. Любое превышение тока фиксируется включением светодиода D18.Cветодиоды выключаются нажатием кнопки SW2. Для установки порога срабатывания необходимо нажатием SW1 переключить в положение НАСТР, регулятором RV3 установить по показаниям LCD индикатора необходимое пороговое напряжение и регулятором RV2 включить светодиод D16.
Измеряемое напряжение с выхода вторичной обмотки трансформатора TR1 выпрямляется диодом Шоттки D7 и через сглаживающую цепь R7,C12 поступает на вход АЦП PC2 микропроцессора. Значение напряжения отображается во второй строке LCD дисплея.
Блок питания состоит из трансформатора TR1, стабилизатора напряжения U1 с выжодным напряжением 5В, DС-DC конвертора U2 с выходными напряжениями ±12V.
Прошивка разработана в среде HORIZONT CONFIGURATOR.

Прошивка, чертежи плат, схемы в EagleCADи перечень в архиве.




Написать коментарий