Позволяет измерять уровень воды в баке глубиной от 1,5 до 3м и управлять насосом. Применяется индикация из 8-ми светодиодов. Возможно как ручное так и автоматическое включение и выключение насоса. В качестве сенсора применяется ультразвуковой сенсор SRF-05, работающий в диапазоне 22...450 мм (с точностью до 2 мм). Ультразвуковые датчики плохо работают во влажной среде, поэтому устройство необходимо устанавливать на расстоянии 20-30см от верха бака, и смонтировано во влагозащищенном пластиковом корпусе как показано на рис.

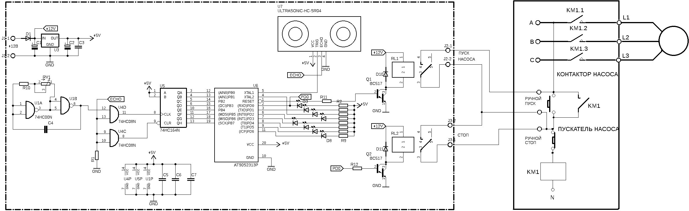
Ниже приведена схема устройства
Принцип работы состоит в том, что микропроцессор генерирует короткие импульсы TRIG, которые периодически запускают передатчик сенсора. Передающая мембрана начинает генерировать сигнал с частотой около 40кГц. Этот сигнал отражается от поверхности воды и поступает на премную мембрану.Приняв этот сигнал, сенсор выдает импульс ECHO. Длительность импульса ECHO пропорциональна расстоянию до поверхности воды. Этот импульс запускает и останавливает генератор импульсов U1 и запускает и сбрасывает сдвиговый регистр U5.
Ниже приведены осциллограммы. Желтым цветом обозначены имспульсы генератора U1, красным цветом - импульс ECHO, синим цветом - импульсы на входе сдвигового регистра.

Таким образом, количество импульсов на выходе сдвигового регистра зависит от длины импульсов ECHO. Импульсы с выходов сдвигового регистра U5 поступают на входы РВ0....РВ7 микропроцессора Atmega2313. Микропроцессор вносит задержку включения светодиодов для удобства индикации. Он работает с внутренней тактовой частотой 8мГц.
Когда бак заполяется, все светодиоды включаются. При включении последнего светодиода D3 на выходе PD0 микропроцессора включается лог.0 транзистор Q2 запирается и реле RL2 своими контактами размыкает пускатель, отключая насос.
При сливе воды из бака светодиоды постепенно отключаются. При отключении первого светодиода D8 на выходе RESET микропроцессора формируется короткий одиночный импульс, открывается транзистор Q1, кратковременно срабатывает реле RL1, которое своими контактами дублирует кнопку ПУСК пускателя и включает насос.Переменным резистором RV1 можно калибровать устройство в зависимости от глубины бака. Подробнее на видео.
Устройство питается от стабилизированного сетевого адаптера 12В 1А.
Перечень элементов, прошивка, проект в PROTEUS, чертежи печатной платы в EagleCAD и герберфайлы для заказа платы в архиве