Устройство применяется для поддержания заданного диапазона температур одновременно в 3-х отдельных резервуарах или в хранилищах. Диапазоны температур
- в первом резервуаре от -40 до 0 °C
- в двух других резервуарах от 0 до 140 °C
Текущая температура и пороги включения и выключения нагревателя индицируются 2-х строчным 16-ти символьным LCD индикатором.
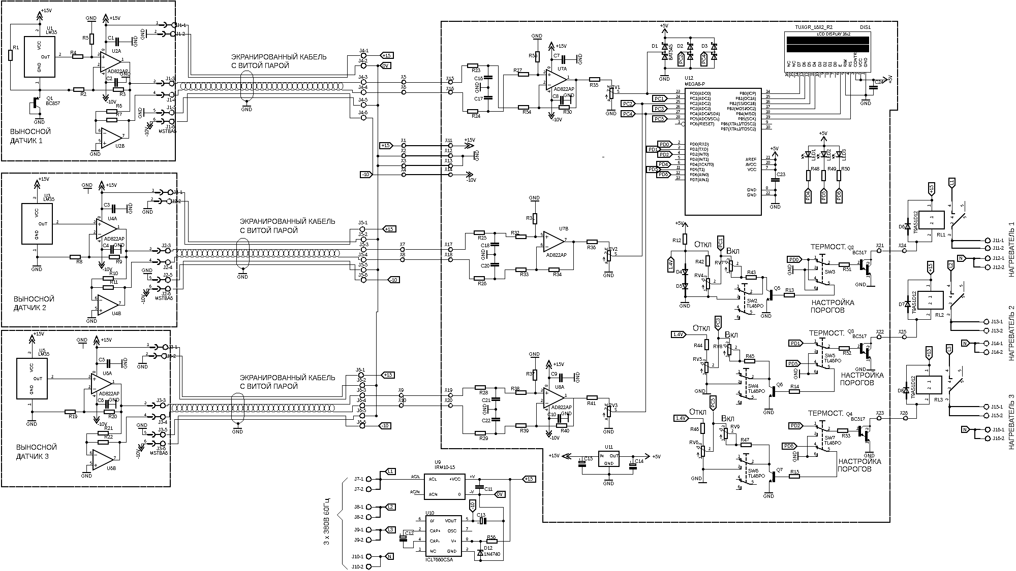
Датчики температур выполнены восхемах U1, U3, U5. Для работы при отрицательных температурах датчик U1 включен с подпоркой на транзисторе Q1. Напряжения датчиков усиливаются опервционными усилителями U2, U4, U6. Выносные датчики подключены к термостату с помощью экранированныж кабелей с витой парой. Сигнальные выходы дифференциальные. Это позволяет обеспечить длину кабеля до 10м.Эти сигналы усиливаются дифференциальными усилителями U7, U8 и поступают на входы АЦП РС0,РС2 и РС4 микропроцессора. Когда напряжения на этих входах меньше пороговых, установленных на входах РС1,РС3,ЛС5, на выходах PD0, PD1, PD2 лог. 1, транзисторы Q2,Q3,Q4 открыты, реле RL1, RL2, RL3 и нагреватели включены.
Рассмотрим работу схемы на первом канале. Как только напряжения на входе АЦП РС0 достигает порогового, установленного переменным резистором RV4 на входе РС1, на выходе PD0 включается лог.0, транзистор Q2 запирается, реле RL1 отключает нагреватель. Температура падает. Как только она опускается до значения, установленного резистором RV7, на выходе PD0 включается лог. 1 транзистор Q2 открывается, реле RL1 включает обогреватель.
Для установки порогов включения и выключения необходимо переключатель SW3 переключить в нижнее по схеме положение и резистором RV4 установить необходимый порог отключения, затем переключатель SW2 переключить в нижнее по схеме положение и резистором RV7 установить необходимый порог включения обогревателя. После этого оба переключателя переключить в верхнее положение. Пороги в других каналах устанавливаются аналогично.
Подробнее на видео