Устройство позволяет управлять температурой и влажностью на расстоянии до нескольких десятков метров.

В основе этой разработки, является схема и программа Регулятор температуры и влажности,
с датчиком DHT22 (DHT11).
Подробно свойства работы программы термометра – термостата
описаны  в данной статье по ссылке выше. Отличие в том, что установка порогов и других
параметров, а также индикация осуществляется на расстоянии нескольких десятков метров.
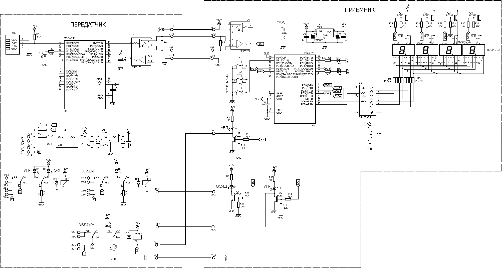
Устройство состоит из приемника и передатчика. Связь между ними с помощью 8-ми жильного
кабеля. По кабелю с помощью RS 485 передаются данные о температуре и влажности,
напряжение питания 12В, а таже от приемника поступают по проводам напряжения включения реле управвления нагревателем RL1, осушителем RL2, и увлажнителем RL3.


Блок передатчика устанавливается в помещении, где необходимо поддерживать температуру
и влажность. В нем установлены датчик температуры и влажности DHT11 или DHT22,
микроконтроллер передатчика U2, AC-DC конвертер с выходным напряжением 12Vdc и током 800мА
а также реле включения нагревателя, осушителя и увлажнителя и светодиодные индикаторы реэжима работы устройства.
Блок приемника устанавливается в помещении, где необходимо управлять работой устройства.
В нем установлены 4 семисегментных светодиодных индикатора высотой 25мм, микроконтроллер приемника U7, кнопки S1-S3 для установки порогов срабатывания и других параметров и светодиодные индикаторы режима работы устройства.

Фьюзы для микроконтроллеров с внутренним генератором 8мГц





Прошивки микроконтроллеров, разводка плат в EagleCAD, перечень элементов и проект в PROTEUS в архиве.




Написать коментарий