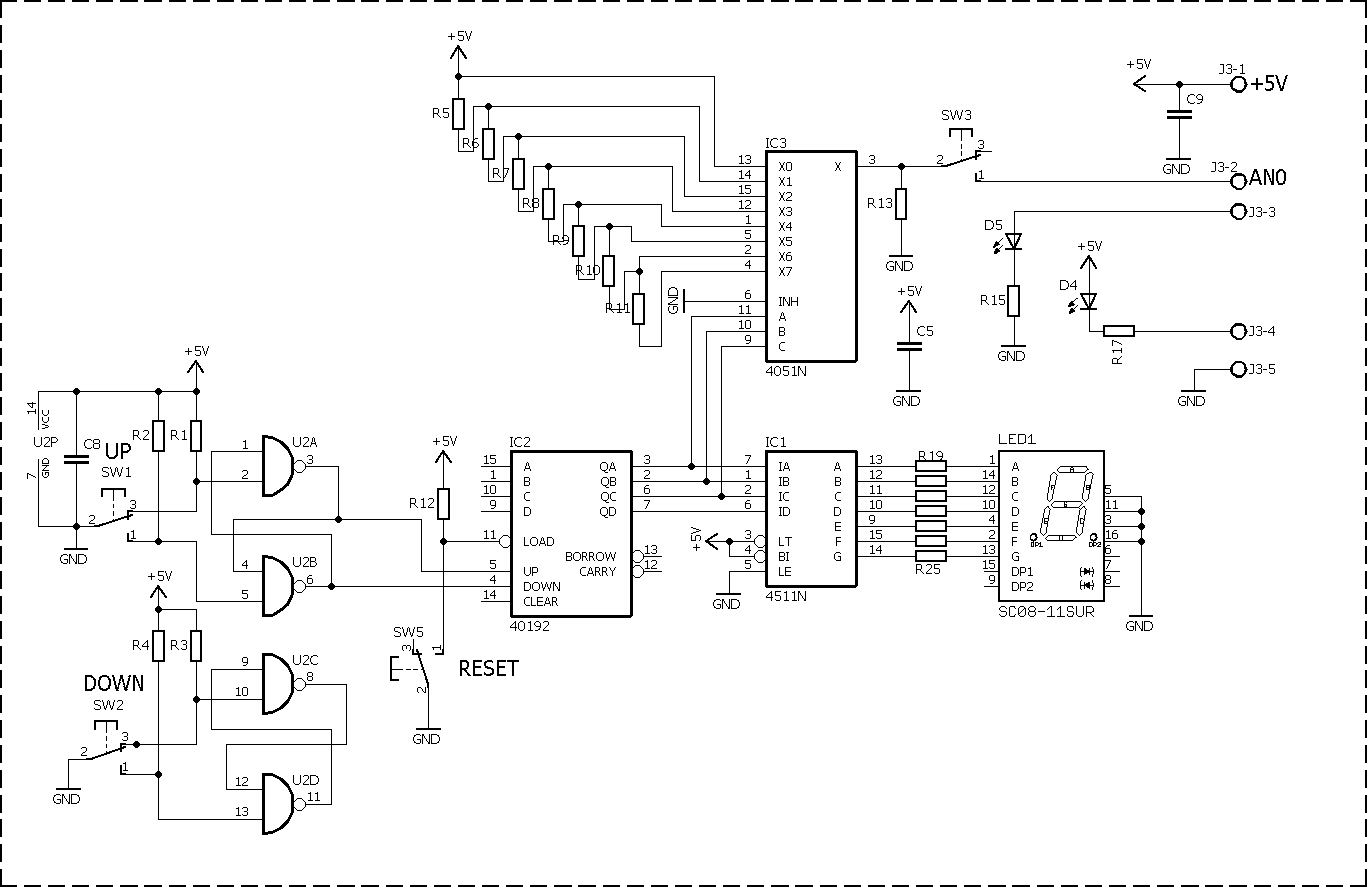
Набор числа производится с помощью кнопок SW1 и SW2. Во избежании влияния дребезга контактов  кнопки подключены ко входам  Up Down двоичного счетчика IC2 через RS- триггеры U2. Двоичный код с выхода IC2 поступает на семисегментый индикатор LED1, который служит для индикации установленного числа и на счетчик аналогового мультиплексора IC3, который переключает резисторы R5 - R11. Выход мультиплексора подключен к аналоговому входу микроконтроллера. Таким образом каждому установленному числу соответствует свое значение напряжения. Все эти значения записываются при програмировании в микроконтроллер, после чего он реагирует только на них.
Програмируется код очень просто: нажимаем кнопку SW4 "Установка кода" и удерживаем пока не загорится светодиод D5, после чего вводим 4-х значный код с помощью кнопок SW1 и SW2 .После набора каждого числа нажимаем "Ввод". Все новый код запрограмирован ( кому не понятно,смотрите Видео работы внизу статьи)
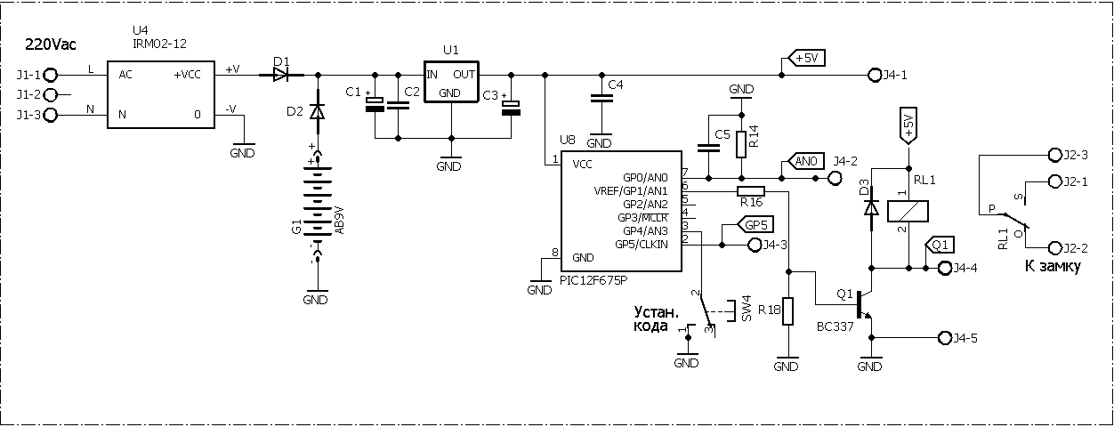
Исполнительным устройством может служить маломощный электродвигатель ,который будет вращать редуктор. Его можно подключить к тому же источнику питания что и саму схему.
Если у вас будет мощное исполнительное устройство, то его следует подключать от дополнительного источника питания.



Схема блока набора числа
Схема платы установки числа



Схема микроконтроллера
Схема платы микроконтроллера

Замок выполнен в 2-х корпусах. В одном корпусе размещена плата для набора чисел,  и светодиоды.В другом корпусе - все что недоступно посторонним. Кроме того, замок оснащен резервным питанием 9В от шести батареек АА.
Схема и платы в EagleCAD, перечень элементов и прошивка в архиве




Написать коментарий