В основе этой разработки, является схема и программа заимствованная из статьи

Регулятор температуры и влажности, с датчиком DHT22 (DHT11).

Там же можно найти описание всех настроек термостата

Характеристики устройства
Канал, температура DHT :

Канал, влажность DHT11 :

Функциональные свойства при работе с датчиком DHT22.

Канал, температура DHT22:

Канал, влажность DHT22 :

Циклический таймер:


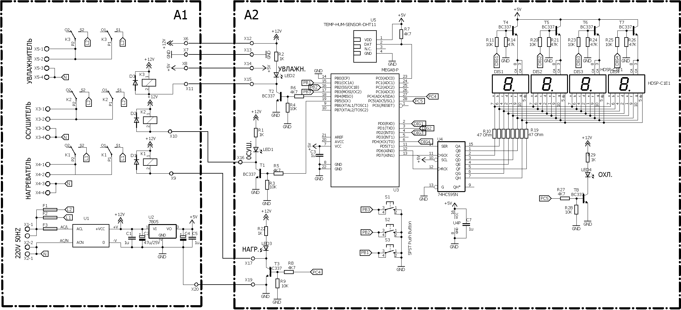
Схема изменилась. Для просмотра наведи мышь на схему и наступи








Для питания применен недорогой АС DC конвертер IRM10-12 с выходным током 850мА и напряжением 12Vdc. В цепях общих анодов семисегментных индикаторов добавлены транзисторы Т4...Т7, что позволило применить более мощные индикаторы высотой 25,4 мм. Устройство выполнено на 2-х платах. На одной плате размещен блок питания с исполнительными реле нагревателя, осушителя и увлажнителя, на другщй - датчик, микроконтроллер с индикаторами и кнопками управления

Перечень элементов, проект в PROTEUS, прошивка, схема и чертежи печатных плат в EagleCAD в архиве.




Написать коментарий