В интернете много вариантов такого генератора. За основу взял описание из источника. На выходе для высокочастотного импульсного сигнала добавил эмитерный повторитель Q1. На выходе для других сигналов добавил повторитель на операционном усилителе. Кроме того сделал прибор с автономным питанием от аккумулятора 9В, добавил индикатор уровня выходного сигнала и разряда аккумулятора на простом микропроцессоре Attiny13.
Описание прибора
1. Генерирование сигналов
- синус диапазон от 1 до 64.999Гц
- прямоугольный сигнал от 1 до 64.999Гц
- треугольный от 1 до 64.999Гц
- пила прямая и обратная от 1 до 64.999Гц
- высокочастотные импульсы ступенчато от 1кГц до 8мГц
- аналоговый видеосигнал
вертикальных полос градации серого и звуковой сигнал 1кГц
2. Работа с прибором
В основном режиме выбор формы сигнала кнопками UP/DOWN.
Кнопками LEFT/RIGHT перемещение между разрядами чачтоты. Устанавливаемый разряд мигает.
При установке частоты высокочастотных импульсов частота устанавливается ступенчато 8000, 4000,
2000, 1000, 500, 400, 250, 200, 125, 100, 50, 25, 16, 10, 8, 5, 4, 2, 1кГц
Запуск/остановка генератора кнопкой START. Подробнее смотреть на видео
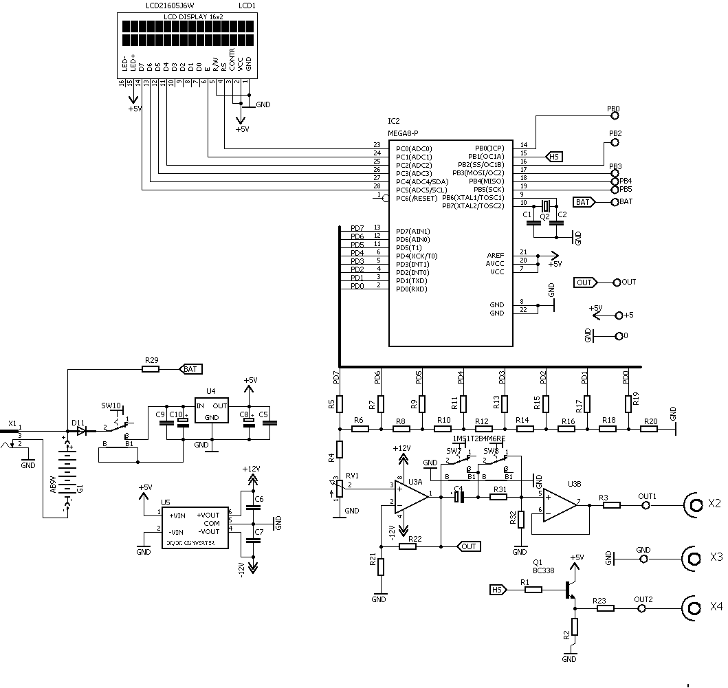
Cхема и конструкция состоит из 2-х частей: генератора и индикатора с кнопками управления.
Схема генератора
Схема индикатора с кнопками управления
Схема в PROTEUS, чертежи плат в EagleCAD и прошивки в архиве