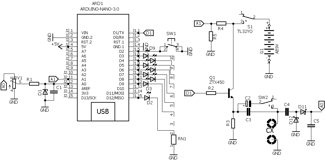
Устройство позволяет определять эквивалентное последовательное сопротивление (ESR) от 1 до 20 Ом электролитических конденсаторов от 1 до 10000мкФ. На рисунке ниже показана схема простого ESR — метра, уст-во основано на платформе Arduino и содержит минимальный набор внешних элементов, прост в сборке и настройке.

 

Для определения ESR необходимо к клеммам щупа Сх подключить измеряемый конденсатор. Если емкость конденсатора меньше 47мкФ, переключатель SW2 дорлжен находиться в верхнем по схеме положении, если выше - в нижнем. Затем включить кнопку SW1. Если ESR конденсатора около 1 Ом, включается светодиод D9, если около 20 Ом, включаются светодиоды D9 - D3. Калибровка устройства производится триммером RV1.

При уменьшении напряжения аккумуляторной батареи до 7В начиает подмигивать светодиод D2, что свидетельствует о оазряде батареи. Подробнее на видео

Перечень элементов, проект в PROTEUS, прошивка hex и скетч для ардуино. чертежи печатных плат в EagleCAD и герберфайлы для заказа печатной платы в архиве


Написать коментарий